四通球閥產品概述
Q46F、Q46H四通球閥主要由閥體、閥座、閥芯、閥桿和驅動裝置等組成,其閥體上設有四個通道口,閥芯為圓球型,四個通孔,中間對角線用一擋板隔開,形成兩路,球體的兩條通道為X形布置,四個通道口徑均布于球體赤道圓周截面上,當操作機構通過閥桿帶動閥芯沿順時針旋轉90°時,能使相近的兩個通道實現兩兩相通,以達到對四路管道內輸送介質進行流通和切斷的目的。本產品可同時對兩種介質的流向進行切換,既方便又迅速,實現一閥多用的效果。
Q46F、Q46H四通球閥是一種X形垂直通道的球閥,其流路形式為X型二位四通,大口徑采用中間閥體,四面法蘭連接(即在每個通道口處各連接有法蘭),小口徑則由左閥體與右閥蓋連接而成,主要用于介質流向的切換。該閥在閥座的前端設有與閥芯構成密封配合的密封件。本產品可采用手動、蝸輪、氣動、電動、液動等多種操作方式。
四通球閥部件材料
| 序號 | 部件名稱 | 材料名稱 | ||||
| 1 | 閥 體 | A216 WCB | A351 CF8 | A351 CF3 | A351 CF8M | A351 CF3M |
| 2 | 閥 蓋 | A216 WCB | A351 CF8 | A351 CF3 | A351 CF8M | A351 CF3M |
| 3 | 閥 座 | R-PTFE、PTFE、TEFLON、NYLON、PPL、PEEK、DEVLON、SS+HF | ||||
| 4 | 球 體 | A182 F304 | A182 F304 | A182 F304L | A182 F316 | A182 F316L |
| 5 | 閥 桿 | A182 F6a | A182 F304 | A182 F304L | A182 F316 | A182 F316L |
| 6 | 填料壓蓋 | A216 WCB | A351 CF8 | A351 CF3 | A351 CF8M | A351 CF3M |
| 7 | 填 料 | GRAPHITE、R-PTFE、PTFE、TEFLON、PCTFE | ||||
| 8 | 螺 栓 | A193 B7 | A193 B8 | A193 B8 | A193 B8M | A193 B8M |
| 9 | 螺 母 | A194 2H | A194 8 | A194 8 | A194 8M | A194 8M |
四通球閥技術規范
| 公稱壓力Class | 150 | 300 | 600 | 900 | 1500 |
| 殼體試驗壓力(MPa) | 3.0 | 7.5 | 16.5 | 22.5 | 39.2 |
| 高壓液體密封試驗壓力(MPa) | 2.2 | 5.5 | 12.1 | 16.5 | 28.6 |
| 低壓氣體密封試驗壓力(MPa) | 0.4~0.7 | 0.4~0.7 | 0.4~0.7 | 0.4~0.7 | 0.4~0.7 |
| 設計制造 | GB/T 12237、GB/T 21385、API 608、ASME B16.34 | ||||
| 結構長度 | 按本廠標準Q/CB的規定或按訂貨合同要求 | ||||
| 連接法蘭 | JB/T 79、GB/T 9113、HG/T 20592、HG/T 20615、SH/T 3406、ASME B16.5等 | ||||
| 檢驗試驗 | GB/T 26480、JB/T 9092、API 598 | ||||
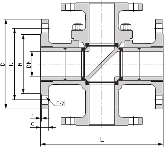
四通球閥主要尺寸
| 公稱壓力 Class | 公稱尺寸 NPS | 外形及連接尺寸/mm | |||||
| L | D | K | R | C-f | n-d | ||
| 150 | ? | 150 | 90 | 60.3 | 34.9 | 9.6-1.6 | 4-?16 |
| ? | 164 | 100 | 69.9 | 42.9 | 11.2-1.6 | 4-?16 | |
| 1 | 180 | 110 | 79.4 | 50.8 | 12.7-1.6 | 4-?16 | |
| 1 ? | 200 | 115 | 88.9 | 63.5 | 14.3-1.6 | 4-?16 | |
| 1 ? | 220 | 125 | 98.4 | 73.0 | 15.9-1.6 | 4-?16 | |
| 2 | 240 | 150 | 120.7 | 92.1 | 17.5-1.6 | 4-?19 | |
| 2 ? | 260 | 180 | 139.7 | 104.8 | 20.7-1.6 | 4-?19 | |
| 3 | 280 | 190 | 152.4 | 127.0 | 22.3-1.6 | 4-?19 | |
| 4 | 320 | 230 | 190.5 | 157.2 | 22.3-1.6 | 8-?19 | |
| 5 | 380 | 255 | 215.9 | 185.7 | 22.3-1.6 | 8-?22.5 | |
| 6 | 440 | 280 | 241.3 | 215.9 | 23.9-1.6 | 8-?22.5 | |
| 8 | 550 | 345 | 298.5 | 269.9 | 27.0-1.6 | 8-?22.5 | |
| 10 | 670 | 405 | 362.0 | 323.8 | 28.6-1.6 | 12-?25.5 | |
| 12 | 720 | 485 | 431.8 | 381.0 | 30.2-1.6 | 12-?25.5 | |
| 表中未列出的其他規格尺寸,請咨詢汗越閥門技術部! | |||||||
四通球閥結構圖

如果你需訂購我廠三通球閥系列產品,咨詢時煩請注明規格型號,如無法提供,請說明公稱通徑、公稱壓力、閥體和內件材料、使用介質及工作溫度等,本產品流路形式為X型通道口,應根據實際用途選擇配管組合,安裝前應首先根據閥門上的標示檢查是否符合使用要求。
網站首頁