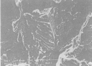
某公司乙烯改造工程乙烯裝置管道安裝的一直流式T型過濾器,在使用4天后過濾器主體產生裂紋,通過搶修補焊后再次投人使用,一天后又在補焊對稱位置產生裂紋。T型過濾器材質為0Cr18Ni9(低溫),介質為C1-C2烴(含有21%氫組分);管線系統的操作壓力為,3.32MPa,操作溫度為-99℃,設計壓力為4.15MPa,設計溫度為-105℃。發生失效的T型過濾器實物見圖1,裂紋位置見圖2。

圖1 T型過濾器實物 圖2 裂紋位于焊接熱影響區
1、宏觀觀察
經過對解體前后T型過濾器的裂紋宏觀觀察發現:裂紋是位于焊接熱影響區,垂直于焊縫,并垂直于三通冷加工變形量最大的方向;裂紋與斷口附近沒有明顯的塑性變形,呈現脆性斷裂的特征;另外兩條焊縫之間的距離太小,焊接出現比較嚴重的燒損咬邊以及焊接線能量過大的跡象。上述觀察結果表明,T型過濾器的失效是在較高的殘余應力水平作用下發生的脆性斷裂 。
2、微觀觀察
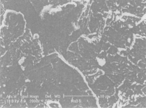
對T型過濾器焊縫附近的裂紋進行掃描電鏡分析,發現裂紋具有以下特征:裂紋具有解理斷口特征,且在裂紋解理面上存在雞腳形貌,見圖4和圖5;主裂紋上存在二次裂紋,部分二次裂紋發生在晶界,見圖6;裂紋上有明顯的臺階,見圖7。上述結果表明,裂紋具備脆性斷裂的基本特征,且具有明顯的氫脆形貌。

圖4 斷口具解理特征(20×) 圖5 解理面上有雞爪形貌(2000×)

圖6 二次裂紋(2000×) 圖7 斷口存在臺階(75×)
進一步分析發現,在T型過濾器斷口處有大量的微小孔洞,管子內壁存在一層組織結構疏松的多孔層,這些為介質特別是氫原子進入管壁提供了有利的條件。
地 址:上海市金山區興塔工業區
咨詢電話:021-5736 2601
手機號碼:138 1635 7694
電子郵箱:hanyuev@163.com
網 址:http://m.cy0731.cn