電動對夾V型球閥產品概述
VQ977H、VQ977Y電動對夾V型球閥是由對夾連接V型球閥與電動執行機構配套使用,并可實現對工藝管路中流體介質的比例調節和二位開關控制。其電裝可按客戶要求選配戶外型、防爆型、整體戶外型、整體防爆型、整體調節型、整體防爆調節型等,配備有輸入控制信號(4-20mADC或1-5ADC)及單相電源即可控制閥門運轉。該閥的閥芯上開有V型切口,與硬密封閥座相對轉動產生剪切力,可將纖維切斷,防止卡死。我廠生產的電動對夾V型球閥可實現對流量、液位等參數的調節,具有調節精度高,可調比大,密封性好,重量輕等特點,特適用于泥漿和含有纖維性以及含微小固體顆粒的懸浮物介質的調節。本產品廣泛應用于石油、化工、造紙、化纖、電力、冶金、制糖及環保等行業的工業過程自動控制系統中。
電動對夾V型球閥部件材料
| 序號 | 部件名稱 | 材料名稱 | ||||
| 1 | 閥 體 | WCB | CF8 | CF3 | CF8M | CF3M |
| 2 | 閥 桿 | 2Cr13 | 304 | 304L | 316 | 316L |
| 3 | 球 體 | WCB | CF8 | CF3 | CF8M | CF3M |
| 4 | 閥 座 | 304+HF | 304+HF | 304L+HF | 316+HF | 316L+HF |
| 5 | 彈 簧 | 17-7PH | 17-7PH | 17-7PH | 17-7PH | 17-7PH |
| 6 | 壓 圈 | WCB | CF8 | CF3 | CF8M | CF3M |
| 7 | 下 端 蓋 | WCB | CF8 | CF3 | CF8M | CF3M |
| 8 | 填料壓蓋 | WCB | CF8 | CF3 | CF8M | CF3M |
| 9 | 填 料 | GRAPHITE | PTFE | PTFE | PTFE | PTFE |
| 10 | 電動裝置 | 組合件 | 組合件 | 組合件 | 組合件 | 組合件 |
電動對夾V型球閥技術規范
| 公稱壓力PN(MPa) | 0.6 | 1.0 | 1.6 | 2.5 | 2.0 |
| 殼體試驗壓力(MPa) | 0.9 | 1.5 | 2.4 | 3.75 | 3.0 |
| 高壓液體密封試驗壓力(MPa) | 0.66 | 1.1 | 1.76 | 2.75 | 2.2 |
| 低壓氣體密封試驗壓力(MPa) | 0.4~0.7 | 0.4~0.7 | 0.4~0.7 | 0.4~0.7 | 0.4~0.7 |
| 設計制造 | JB/T 13517、GB/T 12237、GB/T 21385、API 608、ASME B16.34 | ||||
| 結構長度 | JB/T 13517、GB/T 12221、ASME B16.10 | ||||
| 法蘭標準 | JB/T 79、GB/T 9113、HG/T 20592、HG/T 20615、SH/T 3406、ASME B16.5等 | ||||
| 檢驗試驗 | GB/T 13927、GB/T 26480、JB/T 9092、API 598 | ||||
| 控制方式 | 開關型(開關兩位控制)、調節型(4~20mA模擬量信號控制) | ||||
| 電源電壓 | 單相220 VAC、三相380 VAC、遠程24 VDC (50Hz) | ||||
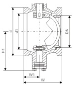
電動對夾V型球閥主要尺寸
| 公稱壓力 PN | 公稱通徑 DN | 外形尺寸/mm | ||||
| W | W1 | H1 | d | d1 | ||
| 20 (Class150) | 25 | 50 | 25 | 81 | 68 | 38 |
| 32 | 60 | 25 | 86 | 76 | 45 | |
| 40 | 60 | 25 | 90 | 84 | 50 | |
| 50 | 75 | 32 | 93 | 100 | 62 | |
| 65 | 100 | 45 | 108 | 118 | 73 | |
| 80 | 100 | 45 | 123 | 132 | 90 | |
| 100 | 115 | 50 | 138 | 158 | 115 | |
| 125 | 129 | 55 | 148 | 184 | 134 | |
| 150 | 160 | 65 | 170 | 216 | 164 | |
| 200 | 200 | 80 | 200 | 268 | 206 | |
| 250 | 240 | 92 | 240 | 326 | 260 | |
電動對夾V型球閥結構圖

如果你需訂購我廠V型球閥產品,咨詢時煩請注明規格型號,如無法提供,請說明公稱尺寸、公稱壓力、閥體和內件材質、使用介質、工作溫度范圍、電動執行器類型及電源電壓等。
網站首頁