V型球閥產品概述
V型球閥是一種端部連接形式為法蘭或對夾,在半球體的一側開V形缺口用于調節流量的閥門,其通過氣動、電動、液動或轉動蝸輪機構上的手輪驅動閥桿帶動球體旋轉90度來實現閥門的啟閉動作,從而起到對介質的流通、調節或截斷。該閥采用彈簧加載的可動閥座結構,增加了閥座與球體的密封配合,并且使它們不會產生卡阻或脫離等問題,密封可靠,使用時間長。本產品球芯上的V型切口與閥座之間具有剪切作用,既有自潔功能又可防止球芯卡死,特適用于含固體顆粒或半固態物質及料漿等流體控制,更適于含纖維狀物料的流量控制,它在造紙工業的紙漿顯得尤為優勢。
V型球閥部件材料
| 序號 | 部件名稱 | 材料名稱 | |||||
| 1 | 閥 體 | WCB | CF8 | CF3 | CF8M | CF3M | 310S |
| 2 | 閥 桿 | 2Cr13 | 304 | 304L | 316 | 316L | 310S |
| 3 | 球 體 | WCB | CF8 | CF3 | CF8M | CF3M | 310S |
| 4 | 閥 座 | 304+HF | 304+HF | 304L+HF | 316+HF | 316L+HF | 310S+HF |
| 5 | 彈 簧 | 17-7PH | 17-7PH | 17-7PH | 316 | 316L | Inconel X-750 |
| 6 | 壓 圈 | WCB | CF8 | CF3 | CF8M | CF3M | 310S |
| 7 | 下 端 蓋 | WCB | CF8 | CF3 | CF8M | CF3M | 310S |
| 8 | 填料壓蓋 | WCB | CF8 | CF3 | CF8M | CF3M | 310S |
| 9 | 填 料 | GRAPHITE | PTFE | PTFE | PTFE | PTFE | PTFE |
V型球閥性能規范
| 公稱壓力PN(MPa) | 1.0 | 1.6 | 2.5 | 4.0 | 2.0 | 5.0 |
| 殼體試驗壓力(MPa) | 1.5 | 2.4 | 3.75 | 6.0 | 3.0 | 7.5 |
| 高壓液體密封試驗壓力(MPa) | 1.1 | 1.76 | 2.75 | 4.4 | 2.2 | 5.5 |
| 低壓氣體密封試驗壓力(MPa) | 0.4~0.7 | 0.4~0.7 | 0.4~0.7 | 0.4~0.7 | 0.4~0.7 | 0.4~0.7 |
| 設計制造 | JB/T 13517、GB/T 12237、GB/T 21385、API 608、ASME B16.34 | |||||
| 結構長度 | JB/T 13517、GB/T 12221、ASME B16.10 | |||||
| 法蘭標準 | JB/T 79、GB/T 9113、HG/T 20592、HG/T 20615、SH/T 3406、ASME B16.5等 | |||||
| 檢驗試驗 | GB/T 13927、GB/T 26480、JB/T 9092、API 598 | |||||
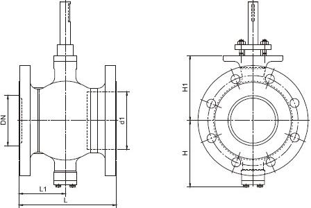
V型球閥主要尺寸
| 公稱壓力 PN | 公稱通徑 DN | 外形尺寸/mm | 公稱壓力 PN | 公稱通徑 DN | 外形尺寸/mm | ||
| L | d1 | L | d1 | ||||
| 16 | 25 | 102 | 38 | 16 | 150 | 229 | 164 |
| 32 | 102 | 45 | 200 | 243 | 206 | ||
| 40 | 114 | 50 | 250 | 297 | 260 | ||
| 50 | 124 | 62 | 300 | 338 | 316 | ||
| 65 | 145 | 73 | 350 | 400 | 372 | ||
| 80 | 165 | 90 | 400 | 400 | 420 | ||
| 100 | 194 | 115 | 450 | 520 | 470 | ||
| 125 | 194 | 134 | 500 | 600 | 516 | ||
| 表中未列出的其他規格參數,請咨詢汗越閥門技術部! | |||||||
V型球閥結構圖

如果你需訂購我廠V型球閥產品,咨詢時煩請注明產品型號,如無法提供型號數據,請說明公稱通徑、公稱壓力、閥體和內件材質、使用介質、介質溫度、法蘭和法蘭密封面形式、傳動機構類型等。
網站首頁